विशेष रूप से, SL2001 (ऊपर) और SL2002 हैं, और दोनों की अपनी मूल्यांकन किट (SL2001 EVK, SL2002 EVK) हैं।
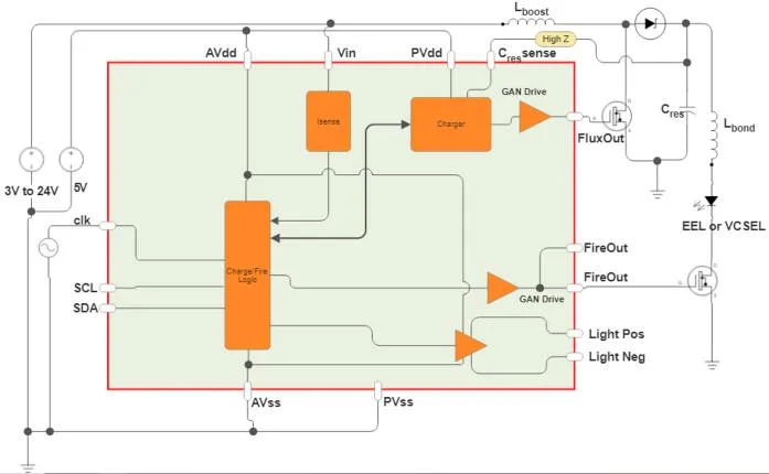
कंपनी इस बात पर प्रकाश डालती है कि वे एक ही डिवाइस पर अनुनाद संधारित्र चार्जिंग और उच्च-वर्तमान लेजर डायोड फायरिंग को जोड़ते हैं। यह कई बाहरी असतत घटकों और अकुशल रूपांतरण चरणों को समाप्त करता है।
सिलन्ना लिखते हैं:
“उदाहरण के लिए, 400 W क्वाड एज-एमिटिंग लेज़र (EEL) मॉड्यूल के साथ SL2001 का उपयोग करने से लेज़र सिस्टम के फ़ुटप्रिंट को 80% (400 mm2 से 80 mm2 तक) कम किया जा सकता है।”
“एसएल2001 और एसएल2002 दोनों को 14-पिन 3.5 मिमी2 पैकेज में रखा गया है। वे 85% तक की अनुनाद संधारित्र चार्जिंग दक्षता के लिए एक विन प्रदान करते हैं। [for use] ईईएल और वीसीएसईएल (ऊर्ध्वाधर-गुहा सतह-उत्सर्जक लेजर) दोनों के साथ।”
एसएल2001
ऑटोमोटिव-ग्रेड LiDAR के लिए बनाया गया SL2001, सब-2 एनएस FWHM लेजर पल्स प्रदान करता है। और 3 से 24 वी आपूर्ति से चलने पर 1000 डब्ल्यू का अधिकतम बिजली उत्पादन होता है।
एसएल2002
SL2002 हैंडहेल्ड और बैटरी चालित सिस्टम के लिए है, जो 1 मेगाहर्ट्ज पल्स पुनरावृत्ति आवृत्ति के साथ 100 W पल्स देने के लिए 2.8 से 5.5 V आपूर्ति का उपयोग करता है।
आईसी की पहली बार घोषणा पिछले साल मई में की गई थी।
लेजर फायरिंग
“ऑटोमोटिव LiDAR से लेकर खेल, शिकार, औद्योगिक, रसद और उपभोक्ता प्रणालियों तक, अनुप्रयोगों की एक श्रृंखला में लेजर-आधारित माप को एकीकृत करने की बहुत बड़ी आवश्यकता है,” ने कहा। अहसान ज़मानसिलन्ना सेमीकंडक्टर में उत्पाद विपणन निदेशक।
“इन सभी अनुप्रयोगों में, इंजीनियरों को आकार, बिजली हानि, सिस्टम जटिलता और सिस्टम लागत को कम करने की आवश्यकता है। हमें पूर्वावलोकन के लिए अविश्वसनीय प्रतिक्रिया मिली है, इसलिए हम पूर्ण उत्पादन में स्थानांतरित होने से प्रसन्न हैं।”
लेज़र फायरिंग आईसी के बारे में अधिक जानकारी सिलन्ना पर है वेबसाइट.










