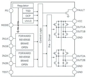
BD60210FV दो 8 – 18V 1A मोटर (4A पीक) के लिए है और 5 x 6.4 मिमी 16पैड SSOP में आता है।
इसमें कई मोड हैं, जिनमें दो तारों पर स्टैंड-बाय/फॉरवर्ड/रिवर्स, या चार तारों पर स्टैंड-बाय/फॉरवर्ड/रिवर्स/ब्रेक, और चार आधे-पुल के रूप में – उदाहरण के लिए, एकल दो-चरण स्टेपर मोटर को नियंत्रित करने के लिए शामिल हैं। दो 0.95Ωटाइप ब्रिज को एकल उच्च-वर्तमान ब्रश डीसी मोटर के लिए समानांतर में भी सेट किया जा सकता है।

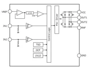
BD64950EFJ एकल 40V 3.5 मोटर (6A पीक) के लिए है और 4.9 x 6 मिमी HTSOP में आता है।
अन्य आईसी की तरह, द्वि-दिशात्मक संचालन की अनुमति देने के लिए आउटपुट एक ब्रिज (0.55Ω टाइप) है।
फॉरवर्ड, रिवर्स, ब्रेक और स्टैंड-बाय (ओपन) मोड उपलब्ध हैं।
किसी भी चिप के लिए, ऑपरेशन -25 से +85°C से अधिक होता है, और वे स्टैंड-बाय में अधिकतम 1μA लेते हैं।

मूल्यांकन बोर्ड BD60210FV-EVK-001 और BD64950EFJ-EVK-001 विकास के लिए उपलब्ध हैं, और भागों को डिजीकी, माउजर और फार्नेल जैसे ऑनलाइन वितरकों द्वारा स्टॉक किया जाता है।
वे रेफ्रिजरेटर, एयर कंडीशनर, प्रिंटर और रोबोटिक वैक्यूम क्लीनर जैसे घरेलू और कार्यालय उपकरणों में उपयोग के लिए हैं।
रोहम के उत्पाद पृष्ठ यहां हैं: 40V सिंगल मोटर और 20V दोहरी मोटर.










