यह समान रूप से चुपचाप जारी किए गए REF80 का एक संशोधित रूप है, जो 0.05ppm/°C बहाव और 1ppm से बेहतर स्थिरता के साथ तापमान-नियंत्रित दफन जेनर संदर्भ है। इसका आउटपुट लगभग 7.6V है, और यह 0 से +70°C पर निर्दिष्ट है।
1,000 घंटे (और 5,000 घंटे तक) के बाद, स्थिरता 0.3पीपीएम तक सुधर जाती है।
यह इसे लीनियर टेक (बाद में ADI) के प्रसिद्ध ~7V LTZ1000 संदर्भ के करीब ले जाता है, जो 0.05ppm/°C बहाव के साथ एक ओवन-एड दफन जेनर डिज़ाइन भी है, जो एक शक्तिशाली -55 से +125°C तक निर्दिष्ट है, और 2µV/√kHr की दीर्घकालिक स्थिरता है।
LTZ1000 रीडिज़ाइन पर ADI का अपना स्टैब, ~6.62V ADR1000, प्रारंभिक 3,000 घंटों के बाद 0.5ppm/वर्ष का सामान्य दीर्घकालिक बहाव स्कोर करता है, और 0.2ppm/°C से बेहतर है। यह -40 से +125°C तक निर्दिष्ट है।
यहां एक नोट: ऐसे संदर्भों को योग्य बनाना अपने आप में एक विज्ञान है, इसलिए ऊपर दिए गए शीर्षक विवरण सटीक सेब-से-सेब तुलना होने की संभावना नहीं है।
अब तक विस्तृत सभी मामलों में, प्राथमिकता एक अटूट आउटपुट वोल्टेज है, प्राथमिकता सूची में इस वोल्टेज का सटीक परिमाण और डिवाइस-टू-डिवाइस उत्पादन भिन्नता पर निर्भर करता है।
आउटपुट परिमाण सटीकता पर ADR1000 का स्कोर LTZ1000 की तुलना में बेहतर है: 7V +300mV -200mV की तुलना में 6.62V ±50ppm प्रारंभिक सटीकता।
TI के REF80 7.6V को ±50mV के रूप में वर्णित किया गया है, और डेटा शीट में एक हिस्टोग्राम है जो -25 से -35mV प्रारंभिक सटीकता को इंगित करता है, अगर इलेक्ट्रॉनिक्स साप्ताहिक इसे सही ढंग से पढ़ रहा है।
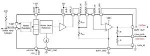
नया REF81 समान तापमान-नियंत्रित 9 x 9 मिमी हर्मेटिकली सीलबंद सिरेमिक सतह-माउंट पैकेज के अंदर, REF80 में एक बफर और एक सटीक लाभ एम्पलीफायर जोड़कर इस जेनर-निर्भर आउटपुट वोल्टेज को कम करता है।
REF80 की तरह, यह 0 से +70°C पर निर्दिष्ट है।
REF81 में अन-बफ़र्ड REF80-जैसा ~7.6V आउटपुट है (अक्टूबर 2025 अग्रिम सूचना डेटा शीट में असहिष्णुता निर्दिष्ट नहीं है), लेकिन IC इनमें से एक विकल्प भी प्रदान करने जा रहा है:
- 2.5V±0.05%, 4.096V±0.05% या 5V±0.05%
- 5V±0.1%, 8.192V±0.1% या 10V±0.1%
डेटा शीट के अनुसार, “नियंत्रण लूप, सटीक प्रतिरोध और बफर का एकीकरण बाहरी सटीक घटकों की आवश्यकता को समाप्त करता है।”
ये दो रेंज दो पैड-चयनित ऑपरेटिंग मोड का परिणाम हैं, जिन्हें उन्नत डेटा शीट में ‘X1’ और ‘x2’, या ‘0.5x’ और ‘1x’ के रूप में वर्णित किया गया है।
इलेक्ट्रॉनिक्स वीकली ने टीआई से पूछा है कि दो मोडों में से प्रत्येक में तीन वोल्टेज का चयन कैसे किया जाता है – हालांकि निर्णय लेते हुए यह उदाहरण डिज़ाइन, जिसके लिए REF8150 की आवश्यकता हैतीन अलग-अलग IC हैं और यह 5V/10V संस्करण है।
7.6V आउटपुट को 0.05ppm/°C और 0.3ppm (1,000 से 5,000h) के रूप में निर्दिष्ट किया जाना जारी है, जबकि बफ़र किए गए आउटपुट के तापमान बहाव की घोषणा अभी तक नहीं की गई है।
खोजें REF81 उन्नत डेटा शीट यहाँऔर वहाँ एक है ऐप नोट जिसमें REF80 और REF81 का उल्लेख है.










